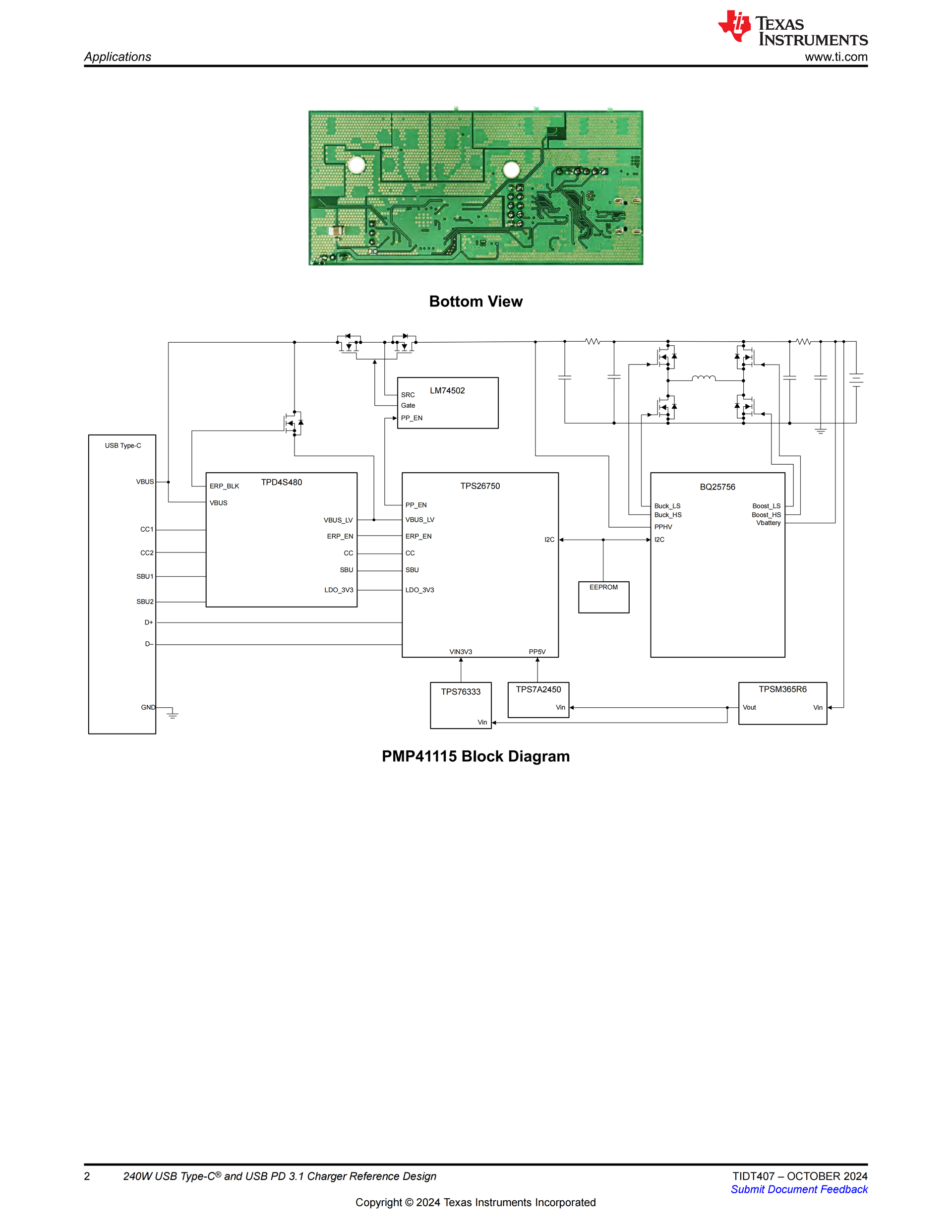
近日,德州仪器(TI)正式推出 PMP41115 240W USB PD3.1 充电器参考设计,可为电动工具、户外电源、大容量储能设备等应用场景提供大功率双向快充解决方案。POWER-Z KM003C 专业快充测试仪作为核心测试设备,全程参与该方案的关键验证工作。
本次测试覆盖 USB PD3.1 EPR 全功率档位,POWER-Z KM003C 承担协议诱骗、PDO 报文解析、电压电流实时监测等任务,精准捕获 5V 至 48V 全电压区间的启动波形与动态切换过程,有效支撑方案完成充电模式与 OTG 双向功率功能验证。
相关阅读
TI 推出 PD 3.1 满血 240W 快充参考设计!


